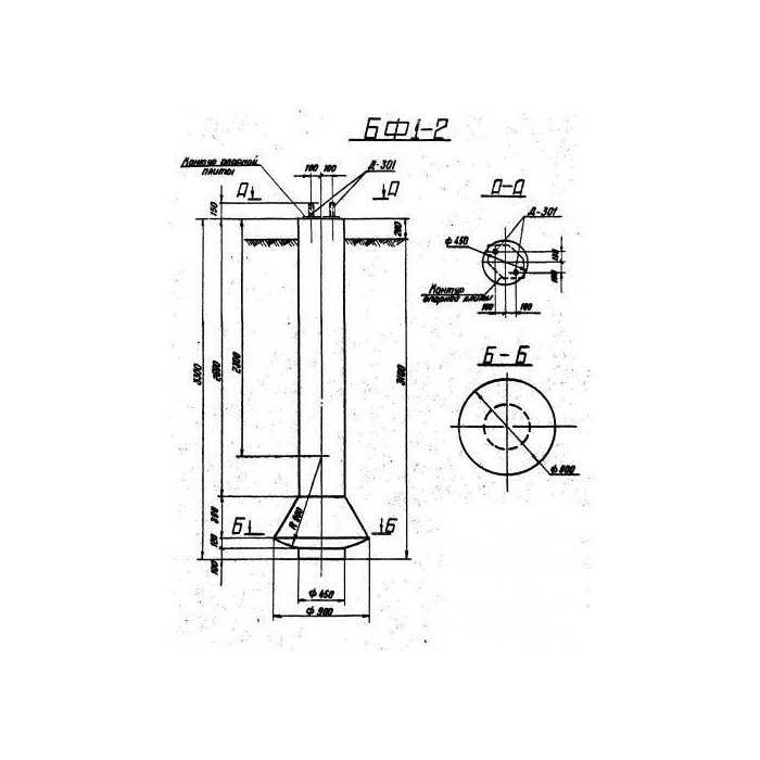
Фундамент серии 3.407.9-146 Серия 3.407-123 ФОТС-1-2 представляет собой железобетонное изделие, предназначенное для использования в строительстве. Он имеет прочную конструкцию и высокое качество исполнения, что обеспечивает надежность и долговечность фундамента. Этот фундамент идеально подходит для строительства зданий различного назначения, от жилых домов до промышленных сооружений.
Фундамент серии 3.407.9-146 Серия 3.407-123 ФОТС-1-2 широко используется в строительстве как основание для различных сооружений. Он подходит для строительства жилых домов, административных зданий, складов, промышленных объектов и других строений. Этот фундамент обеспечивает надежную опору и защиту от грунтовых деформаций, что делает его идеальным выбором для любого типа строительства. Благодаря высокому качеству материалов и прочной конструкции, фундамент серии 3.407.9-146 Серия 3.407-123 ФОТС-1-2 обеспечивает долговечность и надежность строения на протяжении многих лет.









